Zanim zaczniesz budować dom, musisz zrozumieć, jak działa jego fundament. Zanim wyruszysz w podróż, potrzebujesz mapy. W świecie elektroniki tym fundamentem jest Prawo Ohma. To absolutna podstawa, bez której nie zrozumiesz, dlaczego prąd płynie, co go hamuje, po co jest napięcie i dlaczego w ogóle istnieje rezystancja. W tym artykule zobaczysz, czym jest napięcie, natężenie i opór, a przede wszystkim, jak te trzy wielkości są ze sobą połączone. To kluczowa wiedza, bez której nie ruszysz dalej.
Cele edukacyjne
Do końca tej lekcji:
- Zrozumiesz trzy podstawowe wielkości elektryczne : napięcie (U), natężenie prądu (I) i opór (R) oraz ich wzajemne powiązania.
- Zastosujesz wzory prawa Ohma : Obliczysz dowolną z trzech wielkości (U=I×R, I=U/R, R=U/I), mając podane pozostałe dwie.
- Bezpiecznie i prawidłowo obsłużysz multimetr : Wiedza o tym, jak mierzyć napięcie i prąd, zrozumienie różnicy między pomiarami równoległymi i szeregowymi.
- Zinterpretujesz wyniki pomiarów : Rozpoznawanie przyczyn, dla których pomiary rzeczywiste różnią się od obliczeń teoretycznych ze względu na tolerancje komponentów i błędy pomiaru.
- Przeanalizujesz podstawowe obwody : wykorzystasz analogię do wody, aby przewidzieć, w jaki sposób zmiany napięcia lub oporu wpływają na przepływ prądu.
- Zastosujesz bezpieczne techniki pomiarowe : Zrozumiesz najważniejsze zasady bezpieczeństwa, zwłaszcza dotyczące pomiaru prądu i napięcia.
Prawo Ohma na Youtube:
Zrozum prawo Ohma na podstawie analogii wodnej!
Aby ułatwić zrozumienie elektroniki, możemy porównać ją do wody płynącej w rurach – to koncepcja, którą każdy może sobie wyobrazić.

Zależność pomiędzy napięciem, prądem, a rezystancją.
Napięcie (U)
Napięcie mierzy się w woltach (V) i oznacza we wzorach jako U (choć czasami można spotkać V lub E – wszystkie oznaczają to samo). Wyobraź sobie napięcie jako ciśnienie wody w układzie hydraulicznym. Kiedy przyłożysz palec do kranu, poczujesz ciśnienie. Odkręć mocniej wodę, a ciśnienie wzrośnie, ponieważ więcej wody wypłynie. Mówiąc prościej: napięcie jest jak ciśnienie wody.
Napięcie może być stałe (DC) lub przemienne (AC). W tym kursie skupimy się tylko na napięciu stałym, ponieważ to właśnie ono jest używane podczas majsterkowania z Arduino, Raspberry Pi i podobnymi projektami. Wszystkie baterie i akumulatory są źródłami napięcia stałego.
Ostrzeżenie dotyczące bezpieczeństwa: Zdecydowanie odradzamy początkującym samodzielne eksperymentowanie z napięciem przemiennym, zwłaszcza z gniazdek ściennych. Potencjalny błąd może skutkować utratą zdrowia lub życia – to nie jest zabawa! Trzymaj się bezpiecznych eksperymentów z prądem stałym opisanych w tym kursie.
Prąd (I)
Prąd mierzy się w amperach (A) i oznacza we wzorach jako I. Prąd można sobie wyobrazić jako natężenie przepływu wody – ilość wody przepływającej przez rurę. W elektronice jest to natężenie prądu elektrycznego płynącego przez przewód.
Opór (R)
Rezystancję mierzy się w omach (Ω) i oznacza we wzorach jako R. W naszej analogii wodnej, opór jest jak zawór lub zwężka, która pozwala na przepływ mniejszej ilości wody. W elektronice opór przeciwdziała przepływowi prądu.
Zależność napięcia, prądu i oporu
Te trzy wielkości są ze sobą nierozerwalnie powiązane. Przyjrzyjmy się ich wzajemnym relacjom, posługując się analogią wodną.
Scenariusz 1: Stała rezystancja, zmienne napięcie
Wyobraź sobie zbiornik z zaworem w stałym położeniu. Gdy podnosimy poziom wody (wyższe ciśnienie/napięcie), więcej wody przepływa na drugą stronę. Gdy obniżamy poziom wody (niższe ciśnienie/napięcie), mniej wody przepływa.
To samo dzieje się w elektronice: gdy mamy rezystor o stałej wartości i zwiększamy napięcie, przepływa przez niego większy prąd. Gdy zmniejszamy napięcie, przepływa mniejszy prąd.
Podsumowanie: Napięcie i prąd są ze sobą bezpośrednio powiązane – gdy jedno wzrasta, drugie również wzrasta (przy stałym oporze).
Scenariusz 2: Stałe napięcie, zmienna rezystancja
Teraz utrzymujmy stały poziom wody, ale dostosujmy otwarcie zaworu (zmieniając opór). Ilość przepływającej wody zależy od stopnia otwarcia zaworu. Przy stałym napięciu prąd przepływający przez element zależy od jego oporu.
Podsumowanie: Im niższy opór, tym większy prąd przepływa przez obwód. Im wyższy opór, tym mniejszy prąd przepływa.
Wzory Prawa Ohma
Prawo Ohma składa się tak naprawdę z trzech wzorów opisujących zależności, które właśnie badaliśmy:

Diagram trójkąta prawa Ohma pokazujący zależności U=I×R, I=U/R, R=U/I.
- Napięcie: U = I × R
- Prąd: I = U / R
- Opór: R = U / I
Te wzory są wydrukowane bezpośrednio na płytce PCB Twojego kompletnego zestawu elektronicznego, aby umożliwić Ci szybki dostęp!
Praktyczna analiza obwodów
Przeanalizujmy prawdziwy obwód i zastosujmy prawo Ohma w praktyce. Interaktywny symulator powyżej pokazuje dokładnie ten sam obwód, który masz w swoim kompletnym zestawie elektronicznym!

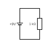
Schemat obwodu przedstawiający baterię 9 V podłączoną do rezystora 1 kΩ.
Zrozumienie obwodu
Obwód elektroniczny to zamknięty system elementów – źródła zasilania, rezystorów, kondensatorów i układów scalonych – połączonych ze sobą w celu umożliwienia przepływu prądu i wykonywania określonych funkcji.
Symbole elementów używane w tej lekcji:

Źródło zasilania (nasza bateria 9 V). Większa linia oznacza biegun dodatni, a symbole + lub – mogą być oznaczone.
Symbol rezystora (konstrukcja IEC).
Uwaga dotycząca przepływu prądu: Analizując obwody, zakładamy, że prąd płynie od bieguna dodatniego do ujemnego. Chociaż można usłyszeć debaty na temat kierunku przepływu elektronów, analiza od bieguna dodatniego do ujemnego była standardem od początków elektroniki – upraszcza wszystko, nie zmieniając sposobu działania obwodów.
Obliczanie prądu
Dane:
- Napięcie baterii: 9V
- Wartość rezystora: 1 kΩ (1000 Ω)
Używając wzoru I = U / R:
I= 9 V / 1000 Ω = 0,009 A = 9 mA
Tak więc w naszym obwodzie powinniśmy zmierzyć napięcie na rezystorze wynoszące około 9 V i natężenie prądu płynącego przez niego na poziomie 9 mA.

Schemat obwodu z obliczonymi wartościami i adnotacjami.
Zrozumienie matematyki
Sprawdźmy, czy nasze obliczenia działają w obie strony:
- Gdybyśmy mieli 90 V: I = 90 V / 1000 Ω = 90 mA
- Dziesięciokrotny wzrost napięcia powoduje dziesięciokrotny wzrost prądu!
- Gdybyśmy mieli 10 kΩ zamiast 1 kΩ: I = 9 V / 10000 Ω = 0,9 mA
- Dziesięciokrotnie większy opór oznacza dziesięć razy mniej prądu!
- Licząc od tyłu: U = I × R = 9 mA × 1 kΩ = 9 V
- Inny sposób: R = U / I = 9V / 9mA = 1kΩ
Jak widać, wszystko jest ze sobą powiązane. Prawo Ohma opisuje związek między tymi trzema wielkościami fizycznymi.
Ważna uwaga: W przeciwieństwie do naszej analogii z wodą, gdzie zawór zmniejsza przepływ wody, w elektronice prąd przed i za rezystorem jest taki sam. Rezystor nie „pobiera” prądu – zamiast tego przekształca energię elektryczną w ciepło, powodując spadek napięcia. Pamiętaj, że analogie upraszczają zrozumienie, ale nie odzwierciedlają rzeczywistości w 100%.
Korzystanie z multimetru
Teraz zweryfikujmy nasze obliczenia rzeczywistymi pomiarami! Ale najpierw musisz nauczyć się bezpiecznie obsługiwać multimetr. Rzeczywiste pomiary nauczą Cię praktycznej strony elektroniki.
Interesują nas trzy pomiary: napięcie, natężenie prądu i rezystancja (oporem zajmiemy się w następnej lekcji).
Pomiar napięcia
Krok 1: Skonfiguruj multimetr
- Szukaj oznaczeń napięcia stałego (linia prosta z linią przerywaną, czyli „DC” lub „⎓”).
- Unikaj ustawień napięcia przemiennego (linia falista lub „AC” lub „~”).
- Jeżeli posiadasz multimetr z automatyczną zmianą zakresu: po prostu wybierz napięcie stałe.
- Jeśli masz multimetr z zakresem ręcznym: wybierz zakres odpowiadający oczekiwanemu napięciu.
Dla naszej baterii 9 V zakres 20 V jest idealny. Jeśli nie znasz napięcia, zacznij od najwyższego zakresu i zmniejszaj je, aż uzyskasz jak najwięcej miejsc po przecinku (najdokładniejszy odczyt).
Krok 2: Podłącz sondy
- Czarna sonda: Zawsze podłączana do gniazda COM.
- Sonda czerwona: Należy ją podłączyć do gniazda oznaczonego V (symbol napięcia).
Krok 3: Pomiar równoległy
Ważna zasada: Zawsze mierz napięcie RÓWNOLEGLE, nigdy szeregowo!
Oznacza to, że podłączasz sondy wzdłuż całego komponentu – jedną sondę na każdą nogę.

Wskazówki dotyczące bezpieczeństwa:
- Trzymaj sondy za plastikową obudowę, nigdy nie dotykaj metalowych końcówek.
- Dotknięcie metalu może zniekształcić wyniki lub spowodować obrażenia w przypadku wysokiego napięcia.
- Unikaj tworzenia zwarć – nie pozwól, aby sondy się ze sobą stykały!
Twój pierwszy pomiar!
- Podłącz baterię 9V do zestawu.
- Znajdź punkty pomiaru baterii (oznaczone symbolem źródła zasilania).
- Dotknij czarną sondą punktu ujemnego (-).
- Dotknij czerwoną sondą punktu dodatniego (+).
- Przeczytaj wartość!
Wynik: Prawdopodobnie zobaczysz napięcie rzędu 8,7 V lub 9,2 V — nie jest to dokładnie 9 V!
Skąd ta różnica? W elektronice zawsze istnieje rozbieżność między wartościami teoretycznymi a rzeczywistymi z powodu:
- Tolerancje komponentów.
- Stan i wiek akumulatora.
- Dokładność sprzętu pomiarowego.
- Czynniki środowiskowe.
Twoje wyniki mogą różnić się od wyników innych – to całkowicie normalne. Przyzwyczaj się do tych drobnych odchyleń!

Eksperyment: Spróbuj zamienić miejscami sondy (czerwona do ujemnej, czarna do dodatniej). Otrzymasz ujemny odczyt. Nie oznacza to ujemnego napięcia – wskazuje to jedynie na odwróconą polaryzację. Omówimy to szerzej w kolejnych lekcjach.
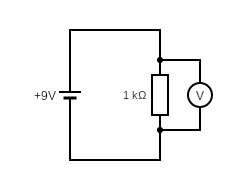
Pomiar napięcia na rezystorze

Schemat obwodu z symbolem woltomierza na rezystorze.
Litera V w kółku to symbol woltomierza. Kiedy zobaczysz go w kolejnych lekcjach, zmierz napięcie na tym elemencie.

Ponieważ rezystor jest podłączony bezpośrednio do akumulatora, napięcie na nim powinno być zgodne z napięciem akumulatora. Sprawdź to swoim pomiarem!
Spróbuj dostosować selektor zakresu, aby sprawdzić, jak zachowuje się Twój multimetr przy różnych ustawieniach. Eksperymentuj!
Pomiar prądu
Krok 1: Konfiguracja do pomiaru prądu
- Przełącz pokrętło na prąd stały (A linią prostą/przerywaną).
- Wybierz odpowiedni zakres (oczekujemy ~9 mA, więc zakres 200 mA jest dobry).
- Czerwona sonda podłączana jest do gniazda mA (może mierzyć do 200mA).
Sprawdź najpierw: Sprawdź aktualny odczyt w interaktywnym symulatorze – powinien pokazywać około 9 mA, co potwierdzi, jaki zakres jest Ci potrzebny!
Krok 2: Złota zasada
WAŻNA ZASADA: NIGDY nie podłączaj multimetru w trybie pomiaru prądu równolegle! NIGDY nie mierz prądu, podłączając sondy bezpośrednio do akumulatora!
Spowoduje to uszkodzenie licznika i przepalenie wewnętrznego bezpiecznika.
Krok 3: Pomiar szeregowy

Diagram przedstawiający prawidłowy pomiar prądu szeregowego za pomocą amperomierza w porównaniu z nieprawidłowym pomiarem.
Amperomierz (A w kółku) należy podłączyć szeregowo. A zatem:
- Przerwij obwód.
- Podłącz multimetr pomiędzy źródłem zasilania i komponentem.
- Prąd przepływa przez multimetr, jest mierzony, a następnie wraca do obwodu.
Pomiar prądu w obwodzie
- Sonda dodatnia podłączana jest do dodatniego bieguna akumulatora (+).
- Sonda ujemna podłączana jest do drugiego punktu pomiarowego.
- Prąd płynie do multimetru przez czerwoną sondę.
- Prąd wypływa przez czarną sondę do rezystora.
Wynik: Powinieneś zobaczyć natężenie prądu wynoszące około 9 mA (może to być 8,8 mA lub 9,2 mA).

Dlaczego nie dokładnie 9 mA? Pamiętaj:
- Tolerancje rezystorów – rezystory nie mają dokładnie takiej wartości, jaką oznaczają (więcej na ten temat w następnej lekcji).
- Rezystancja sondy – przewody pomiarowe mają małą rezystancję.
- Dokładność miernika – multimetry mają określone klasy dokładności.
- Napięcie baterii – Twoja bateria nie daje dokładnie 9 V!
Wniosek: Twój wynik jest poprawny! Musisz przyzwyczaić się do tych drobnych odchyleń w rzeczywistej elektronice.
Ćwiczenie weryfikacyjne
Spróbuj tego: zmierz rzeczywiste napięcie i natężenie prądu w obwodzie, a następnie użyj prawa Ohma, aby obliczyć rezystancję. Czy jest bliska 1 kΩ? Powinna! To potwierdza, że prawo Ohma działa w praktyce.
Streszczenie
Dzisiaj udało Ci się wiele osiągnąć:
✓ Dowiedziałeś się, czym jest napięcie, prąd i opór.
✓ Zrozumiałeś, jak te trzy wielkości są ze sobą powiązane.
✓ Opanowałeś trzy wzory prawa Ohma.
✓ Nauczyłeś się bezpiecznie obsługiwać multimetr.
✓ Wykonałeś pierwsze pomiary napięcia i prądu.
✓ Zweryfikowałeś obliczenia teoretyczne za pomocą pomiarów rzeczywistych.
✓ Ćwiczyłeś z interaktywnym symulatorem obwodów, aby zobaczyć prawo Ohma w działaniu.
Gratulacje z okazji pierwszych pomiarów! To ważny krok w Twojej podróży z zestawem Elektronika Kompletnego!
Co dalej?
W następnej lekcji zagłębimy się w temat rezystorów:
- Jak czytać kody kolorów rezystorów.
- Pomiar rezystancji za pomocą multimetru.
- Zrozumienie tolerancji rezystorów.
- Połączenia szeregowe i równoległe rezystorów.